- Asistencia la flexión de cadera / muslo y soporte pre-isquial.
- Asiento extraíble y reversible
- Base de posicionamiento del cojín Spex.
- Ajuste de la oblicuidad pélvica.
- Modificaciones instantáneas.
- Sistema contorneado.
- Contorno asimétrico.
- Sistema de suspensión regulable en dureza.
- Inclinación ajustable, basculación y reposapiés elevable.
- Reposacabezas Estándar Spex o Lateral Extendido Spex.
- Base interior ajustable en altura.
- Asiento en dirección a la marcha.
- Asiento a contramarcha.
Bingo Spex
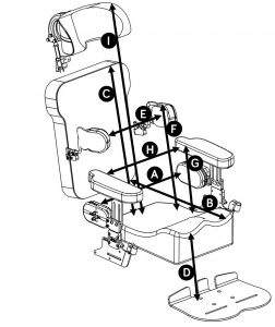
| Talla 1 | Talla 2 | |||
| A Ancho de cadera | 17-28 | 22-33 | ||
| B Profundidad de asiento | 18-30 | 23-38 | ||
| C Altura respaldo | 36-44 | 40-48 | ||
| D Altura reposapiés* | 25-40 | 25-45 | ||
| E Ancho de tronco | 12-28 | 15-30 | ||
| F Altura lateral de tronco | 15-34 | 17-40 | ||
| G Altura reposabrazos | 15-22 | 15-22 | ||
| H Ancho entre reposabrazos | 20-32 | 28-38 | ||
| I Altura del reposacabezas | 45-65 | 50-70 | ||
| J Ancho total de cojín | 33 – T 1.1 | 33 – T 1.2 | 38 – T 2.1 | 38 – T 2.2 |
| K Ancho interior del cojín | 23 – T 1.1 | 28 – T 1.2 | 28 – T 2.1 | 33 – T 2.2 |
| L Ancho entre isquion | 15 – T 1.1 | 17 – T 1.2 | 18 – T 2.1 | 20 – T 2.2 |
| M Altura del borde externo del cojín | 14 | 14 | ||
| N Altura del borde interno del cojín | 9 | 9 | ||
| O Altura del taco abductor | 5 | 5 | ||
| P Ancho de espalda | 33 | 38 | ||
| Q Ancho de tronco | 26 | 30 | ||
| Profundidad de asiento de la silla | 18-30 | 20-38 | ||
| Altura del respaldo de la silla | 36-46 | 41-55 | ||
| Reclinación | 90-160° | 90-160° | ||
| Altura de la barra de empuje | 75-110 | 75-110 | ||
| Ancho total de la silla | 63 | 68 | ||
| Carga máxima del sistema de posicionamiento | 50 | 50 | ||
| Carga máxima de la silla | 60 | 60 | ||
Medidas en cm y kg.
- BINGOSPEXT1FXX/0XX Bingo Spex - Chasis Talla 1 versión Full
- BINGOSPEXT1CEXX/0XX Bingo Spex - Chasis Talla 1 versión CE
- BINGOSPEXT2FXX/0XX Bingo Spex - Chasis Talla 2 versión Full
- BINGOSPEXT2CEXX/0XX Bingo Spex - Chasis Talla 2 versión CE

Verde

Rosa

Rojo

Púrpura

Negro

Naranja

Gris

Azul
Amarillo


